DC Sports/Hot Shot Header install
Originally posted by bombinha
I saw you saying about 2 1/8 but most Hiflow cat's come in 2 or 2,25. Trying to find on ebay.
I saw you saying about 2 1/8 but most Hiflow cat's come in 2 or 2,25. Trying to find on ebay.
What you want to order is a CATCO high flow universal without the flanges you can get them for $60....
are high flow cats not illigal? i mean it all depends where you are but if you get it certain vehicals they dont say much emissions wise. I dont want to end up getting a ticket for a highflow cat so im stock but want to change to a high flow cat.
Dc sports racing header
I purchased and installed a DC sports Racing header which bypasses the cat, and connected it to a 3in. exhaust. It is now running extremely rich to the point where you can smell fuel all the time. My question is do I have to put both O2 sensors back into the header, or can I put plugs into them and correct the problem by getting a new ECU ( like BikiRom or JW). Also let me know if there are any other suggestions. Thanks
Did you put the EGR valve back up and what benefits are there to taking it off and just blocking it??? by the way im installing a Pace seeter 4-2 header
Last edited by prospec240; Aug 3, 2006 at 10:11 AM.
Originally posted by colbys240
I did put the EGR back in because I had to have a shop put it in since the ******* who owned the car before me welded the exaust to the manifold.
I did put the EGR back in because I had to have a shop put it in since the ******* who owned the car before me welded the exaust to the manifold.
lol hey vinnie, can you post a picture of a car with a bung made for it. my car is running rich (like you said) and i need an example of that set up. where my first sensor goes near the collector and that other stuff you said months ago.
Originally posted by *Tx_BLooD_240*
lol hey vinnie, can you post a picture of a car with a bung made for it. my car is running rich (like you said) and i need an example of that set up. where my first sensor goes near the collector and that other stuff you said months ago.
lol hey vinnie, can you post a picture of a car with a bung made for it. my car is running rich (like you said) and i need an example of that set up. where my first sensor goes near the collector and that other stuff you said months ago.
Originally posted by BigVinnie on PG.#4
I see what the problem is with your idle.....
You will need to cap off where the sensor is at the AIV port( that is the second port to the EGR.
You will need a CAT, you don't have one, that is just a resonator after the header. Your original CAT was butted up to the mani of your old header.
The second sensor is used to read your emissions after the CAT has converted NOX and hydro carbon elements.
You can go to any muffler shop and get a bung made for after the CAT. Or just purchase an OBX straight pipe and modify the hole for the second sensor yourself use that as your bung. Best CATS for the price are theCATCO high flow cats, they work great, and you need it for your OBD2.
Your problem with idle is typical and I have seen it happen with guys that have decided to use straight pipe instead of a CAT on the OBD 2. You need the CAT and the second sensor has to be located after the CAT.....
So the first sensor need to go at the collector, and you need a CAT, then a bung for the second sensor......
I see what the problem is with your idle.....
You will need to cap off where the sensor is at the AIV port( that is the second port to the EGR.
You will need a CAT, you don't have one, that is just a resonator after the header. Your original CAT was butted up to the mani of your old header.
The second sensor is used to read your emissions after the CAT has converted NOX and hydro carbon elements.
You can go to any muffler shop and get a bung made for after the CAT. Or just purchase an OBX straight pipe and modify the hole for the second sensor yourself use that as your bung. Best CATS for the price are theCATCO high flow cats, they work great, and you need it for your OBD2.
Your problem with idle is typical and I have seen it happen with guys that have decided to use straight pipe instead of a CAT on the OBD 2. You need the CAT and the second sensor has to be located after the CAT.....
So the first sensor need to go at the collector, and you need a CAT, then a bung for the second sensor......
If you don't need a pic I can explain indepth all you need to do......
This is for OBD2 installation.
After the header add an OBD1 CAT converter high flow if needed, then drill a 3/4" hole through the exhaust pipe approximately 2" away after the cat. Then add a O2 bung and weld into place.
You can get the bungs off of ebay here is a link.
http://cgi.ebay.com/ebaymotors/O2-Se...QcmdZViewItem.
If you don't care for smog compliance this is what you can also do.
Convert the narrowband o2 to a wide band o2 system. You will need to purchase an SAFC. Now adjust high and low throttle until the wide band is calibrated to about a 13.2~13.7:1 F/A ratio.
If finely calibrated on a dyno post up some results
......
Last edited by BigVinnie; Jan 28, 2007 at 01:21 AM.
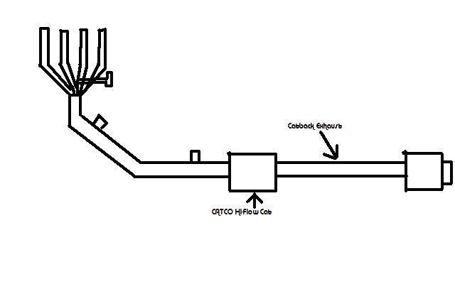
so with this awesome pic of my exhaust maybe it will make it a little easier for me to get what your talking about.

can you show me where that stuff needs to go
oh and that link doesnt work

can you show me where that stuff needs to go
oh and that link doesnt work
Last edited by *Tx_BLooD_240*; Jan 31, 2007 at 03:47 PM.
The 18th product on PDM's page is the O2 sensor bung.
http://www.pdm-racing.com/products/misc_intakexh.html
Your drawing is pretty correct.
The bung closest to the cat on the header will need to be caped it is originally supposed to be used for the AIV on OBD1 engines. You can always use that bung as a wide band o2 sensor port if you ever plan to put your ride on the dyno.......
Magnaflows high flow cat can also be found on PDM's web site, it will probably be cheaper than a catco high flow CAT.......
http://www.pdm-racing.com/products/misc_intakexh.html
Your drawing is pretty correct.
The bung closest to the cat on the header will need to be caped it is originally supposed to be used for the AIV on OBD1 engines. You can always use that bung as a wide band o2 sensor port if you ever plan to put your ride on the dyno.......
Magnaflows high flow cat can also be found on PDM's web site, it will probably be cheaper than a catco high flow CAT.......
Last edited by BigVinnie; Feb 9, 2007 at 08:40 PM.
Thread
Thread Starter
Forum
Replies
Last Post
jtsarnak
NA Motor
1
Sep 30, 2003 09:11 AM
S14Drift
For Sale - Wanting To Buy (WTB) Or Trade (WTT)
0
Nov 5, 2002 04:56 PM




